ホーム
会社概要
事業内容・許認可
廃棄物処理フロー
設備・車輛
環境保全
採用情報
お問合せ
株式会社神掃社
084-967-1666
株式会社備後総業
084-967-1662
株式会社神掃社
笠岡
リサイクルセンター
0865-66-4433
お問合せ
採用情報
環境保全
設備・車輛
廃棄物処理フロー
事業内容・許認可
会社概要
ホーム
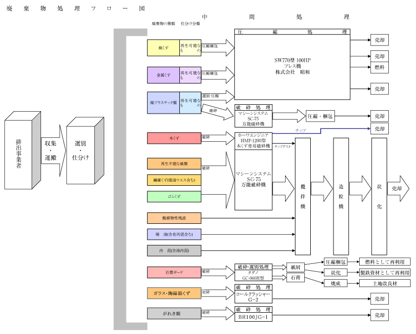
廃棄物
処理フロー
弊社における仕分け分類処理、中間処理、最終処分フロー図です
mirai's きたやま
株式会社 備後総業
[印刷用フロー図はこちら]
笠岡リサイクルセンター